产品与服务 >> 光学元件 >> 光学透镜 >> 消色差透镜

消色差透镜

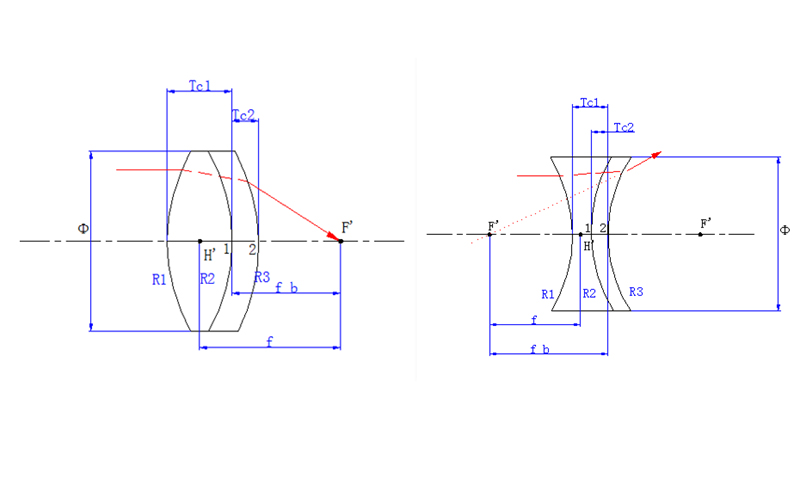
消色差透镜 消色差透镜

 技术参数

材料
无色光学玻璃
尺寸公差
+0/-0.05mm
厚度公差
±0.1mm
设计波长
480nm 546.1nm 632.8nm
表面质量
60/40
通光孔径
>90%
光圈
N<3(0.5)632.8nm
中心偏
<3分